| Autor | Thema |
|---|---|
|
Arnd
Raketenbauer Registriert seit: Okt 2003 Wohnort: Irgendwo in Deutschland Verein: Dera.eV , AGM,T2 Beiträge: 159 Status: Offline |
Beitrag 7270917
, neues Startgerät 1215
[
Moin miteinander,
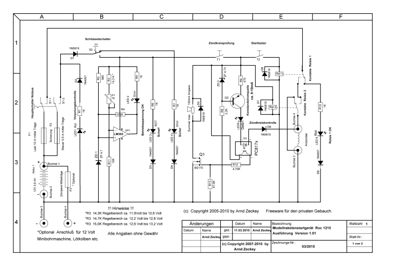
mal wieder was neues aus meiner Schmiede. Hier ist das neue Startgerät 1215. Im neuen Startgerät sind viele der Wünsche und Anregungen die mir zugetragen worden eingeflossen. Gegenüber dem 1213 wurde das Startgerät um eine optische Anzeige Sicher /Scharf erweitert. Weiterhin würde die Betriebsspannungsanzeige anstatt mittles Z-Diode über eine Komparatorschaltung realisiert. Über einen Trimmer kann eine Feinabstimmung ab welcher Spannung die Led Betriebsspannungsanzeige verlischt eingestellt werden. • Zündkreisprüfung optisch über Konstandstromquelle mit einem Zündstrom von ca. 8 bis 10mA. Akustisch Galvanisch getrennt mittels Optokoppler über Summer. • Optische Überwachung ob Relais 1 Ok ist. Kleben der Kontakte. • Überbrückung des Anzünders im Ruhezustand. • Optische Anzeige Sicher / Scharfstellung • Anzünder wird über Lastrelais mit Strom versorgt. • Optische Verpolungsanzeige. • Betriebsspannungsanzeige mittels Komparatorschaltung Feineinstellbar über Trimmer. • Optische und Akustische Kontrolle ob Anzünder anliegt. LED und Summer. • Leicht nachzubauen, da nur leicht zu beschaffende Bauteile Verwendung finden. Das Projekt ist Freeware für den privaten Gebrauch. Cu Arnd Geändert von Arnd am 16. November 2010 um 23:59 |
|
bully
Epoxy-Meister Registriert seit: Nov 2004 Wohnort: Bayern Verein: Solaris-RMB Beiträge: 463 Status: Offline |
Beitrag 7271903
[
Zitat: n'Abend Arnd, wie groß, wie schwer, welche Spannungsquelle und -Bereich und wie komme ich an dein Projekt?? Viele Fragen aber die werden sicher auch noch andere Raketeure interessieren. Stelle doch mal dazu ein paar konkrete Daten hier rein. LG Michael Aus jedem Versuch wird man etwas mehr kluch!? |
|
Arnd
Raketenbauer Registriert seit: Okt 2003 Wohnort: Irgendwo in Deutschland Verein: Dera.eV , AGM,T2 Beiträge: 159 Status: Offline |
Beitrag 7271905
[
Moin Michael,
ich stell den Schaltplan mal zur Diskussion rein. Das 1215 ist die weiterentwicklung der bekannten Startgeräte Serie 1207 und 1213. Vom 1213 gibt es hier im Forum ja ein paar Bauberichte. Die fertig aufgebaute Platine hat die Abmaße Länge 100mm x Breite ca.53mm Höhe ca 25mm Gewicht ca. 120 Gramm Das Gerwicht des Moduls dürfte in einer Startbox eh eine eher untergeordnete Rolle spielen. Ausgelegt ist das Startgerät für Blei oder Bleigel Akkus mit eine Nennspannung von 12 Volt. Alles andere macht imho eh wenig Sinn. Die Betriebspannunganzeige kann im Bereich von ca. 11,9 bis 12.6 Volt über einen Trimmer eingestellt werden. Die eingebauten Print Relais können max. einen Strom von 16 Ampere ab. Es können alle mir zur Zeit bekannten Anzünder verwendet werden. Von Brückenanzünder A und U bis zum selbstgebauten Glühanzünder. T2 Konform ist das Startgerät 1215 selbstverständlich auch. Ich bin zur Zeit dabei ein Projekt Paket mit Schaltplan, Bildern, etc. am schnüren. Such noch ein paar Leute zwecks Korrekturlesung. Wer nicht die Möglichkeit hat so ein Modul selbst zusammen zu löten. Fertige Module wird es sicherlich bei Holger_T im Shop geben. Offene Fragen werden immer gerne beantwortet, dafür ist ein Forum ja da. Cu Arnd Geändert von Arnd am 17. November 2010 um 23:19 |
|
bully
Epoxy-Meister Registriert seit: Nov 2004 Wohnort: Bayern Verein: Solaris-RMB Beiträge: 463 Status: Offline |
Beitrag 7271911
[
Hallo Arnd,
schaut ja wirklich sehr interessant aus. Wenn man die Platine vlt noch weiter verkleinern würde und auch kleinere Relais einbaut mit minimal 9Volt Betriebsspannung, dann könnte ich das Teil sogar in meiner SM62 einbauen. Möchte nämlich die Zusatzbooster unter der Tragfläche während des Fluges zünden für einen sicheren Landeanflug, falls der Schirm nicht rauskommen sollte. Läßt sich das mit dem verkleinern nicht realisieren, kommt es halt in meine Startbox und wird gegen das alte Zündgerät ausgetauscht. Mal sehen wie es damit weiter geht, bin schon sehr gespannt darauf. Hast du auch schon ein Bestückungslayout? LG Michael Aus jedem Versuch wird man etwas mehr kluch!? |
|
Arnd
Raketenbauer Registriert seit: Okt 2003 Wohnort: Irgendwo in Deutschland Verein: Dera.eV , AGM,T2 Beiträge: 159 Status: Offline |
Beitrag 7271912
[
Moin Michael,
wenn Du Zusatzbooster unter der Tragfläche während des Fluges für einen sicheren Landeanflug anzünden willst, wäre eine Zündung der Booster über eine Elektronik sinnvoller. Sowohl in Analog oder in Digital Technik sollte das recht einfach zu realisieren sein. Bei Robert Klima gibt es das hier. Zitat: Quelle: www.raketenmodellbau-klima.de Cu Arnd Geändert von Arnd am 17. November 2010 um 23:58 |
|
bully
Epoxy-Meister Registriert seit: Nov 2004 Wohnort: Bayern Verein: Solaris-RMB Beiträge: 463 Status: Offline |
Beitrag 7271916
[
Hallo Arnd,
das ist genau das was ich mir vorgestellt habe und der Preis ist auch OK. Danke für den Tip, da kann ich ja sogar die Servos da lassen wo sie gerade eingebaut sind. LG Michael Aus jedem Versuch wird man etwas mehr kluch!? |
|
Hans R
Raketenbauer Registriert seit: Jul 2007 Wohnort: Lkr. GP Verein: Solaris Beiträge: 144 Status: Offline |
Beitrag 7284903
[
Hallo zusammen,
hier der Baubericht dazu Die Platine im Lieferzustand Zuerst werden die 13 Widerstände, 9 Dioden, 2 Z- Dioden sowie die Fassungen DIL 14 und DIL 4 eingelötet. Bei den Dioden muß die richtige Einbaulage unbedingt beachtet werden. Dann kommen Poti und die beiden Transistoren an die Reihe. Es folgen die Anreihklemmen für LEDs, Schalter, Buzzer und die Anschlußstecker für die Versorgung und Zünderausgang. Die vorhandenen Bohrungen waren etwas zu klein, ich habe sie mit einem 1,2 mm Bohrer weiter aufgemacht. Zum Schluß wird der Sicherungshalter für die Steuerseite und die beiden Relais eingelötet. Dann den IC und den Optokoppler ind die Fassungen einstecken. Vorsicht, die Beinchen können leicht verbogen werden. Die richtige Lage beim IC unbedingt beachten. So die Löterei ist damit beendet. Grüßle aus dem wilden Süden, Reiner |
|
Hans R
Raketenbauer Registriert seit: Jul 2007 Wohnort: Lkr. GP Verein: Solaris Beiträge: 144 Status: Offline |
Beitrag 7284904
[
Tja, irgendwie sind mir die Bildchen etwas durcheinander geraten. Aber ich denke mal man sieht schon wie es eigentlich sein sollte...
Grüßle aus dem wilden Süden, Reiner |
|
Hans R
Raketenbauer Registriert seit: Jul 2007 Wohnort: Lkr. GP Verein: Solaris Beiträge: 144 Status: Offline |
Beitrag 7520900
[
Hallo zusammen.
so, bin endlich dazugekommen das ganze in ein Gehäuse zu packen.Das Gehäuse ist ein BOPLA ET 235 der Akku ein 12 V 4,5A Bleigel Grüßle aus dem wilden Süden, Reiner |
|
gexx
Raketenbauer Registriert seit: Nov 2010 Wohnort: Marl Verein: AGM Beiträge: 133 Status: Offline |
Hallo zusammen,
hat noch jemand Interesse daran, ein 1215 aufzubauen? Ich habe mit Arnd getextet. Er würde eine kleine Serie an Platinen neu auflegen, wenn ein paar Leute zusammenkommen. Auch Änderungsvorschläge werden gern angenommen, um vielleicht das 1215 in die nächste Evolutionsstufe zu bringen ![]() Wer Interesse hat, kann hier im Thread einfach die Liste mit seinem Namen erweitern Ich fange mal an... VG Robert --- Interessenten Platine Startgerät 1215 Robert ------ |




