Du kannst keine neue Antwort schreiben
Seiten (5): « 1 2 3 [4] 5 »

Autor Thema 
Reinhard

Überflieger

Reinhard

Registriert seit: Sep 2003

Wohnort: Österreich

Verein: TRA #10691, AGM

Beiträge: 1187

Status: Offline

Beitrag 77868 [Alter Beitrag16. Juni 2005 um 13:46]

[Melden] Profil von Reinhard anzeigen    Reinhard eine private Nachricht schicken   Besuche Reinhard's Homepage    Mehr Beiträge von Reinhard finden

Hi,

wie wäre es mit diesem Alternativvorschlag (das restliche Drumherum habe ich mir gespart)?:

Q2 dient zur Zündung
R1/R2/Q3 passen das Steuersignal für Q1 an (0/5V  12/0V) welcher dazu dient den Zünder kurz zu schließen.
R3 dient als Konstantstromquelle, wenn er hoch genug gewählt ist (1-10k) sollte sich der Strom vom Zünderwiderstand nicht nennenswert beeinflussen lassen (wobei mir gerade auffällt, das dann die Batteriespannung Einfluss auf des Messergebnis hat, also doch besser eine richtige Stromquelle)

Der angedeutete Verstärker IC1A ist einerseits notwendig um den Spannungsoffset von knapp 12V anzupassen, und andererseits ermöglicht er bei einem kleinen Meßstrom den Eingangsbereich des ADC besser auszunutzen. Hier würde sich z.B. ein INA145 anbieten oder eine Schaltung aus einem OPV und 4 Widerständen, wie sie auch Teil des INAs ist.

Gruß
Reinhard

Folgende Datei wurde angehängt:

CharlyMai

Foren-Prediger


Administrator

CharlyMai

Registriert seit: Mär 2005

Wohnort: Fuhrberg

Verein: SOLARIS-RMB e.V. (P2;T2) / AGM / TRA#21598

Beiträge: 1979

Status: Offline

Beitrag 77948 [Alter Beitrag18. Juni 2005 um 12:43]

[Melden] Profil von CharlyMai anzeigen    CharlyMai eine private Nachricht schicken   Besuche CharlyMai's Homepage    Mehr Beiträge von CharlyMai finden

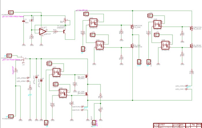
Soo, nun habe ich noch 2 Hilfsspannungen (+16V und +7V) eingefügt, und die Ansteuerung der FET's Optokopplern überlassen .....

Fehler ?? Anmerkungen ??

viele Grüße

Pierre


Schaltstufe :

Folgende Datei wurde angehängt:


•"Der Glaube an eine bestimmte Idee gibt dem Forscher den Rückhalt für seine Arbeit.
Ohne diesen Glauben wäre er verloren in einem Meer von Zweifeln und halbgültigen Beweisen." Konrad Zuse

•Konstruiere ein System, das selbst ein Irrer anwenden kann, und so wird es auch nur ein Irrer anwenden wollen.

SOLARIS-RMB e.V. AGM
CharlyMai

Foren-Prediger


Administrator

CharlyMai

Registriert seit: Mär 2005

Wohnort: Fuhrberg

Verein: SOLARIS-RMB e.V. (P2;T2) / AGM / TRA#21598

Beiträge: 1979

Status: Offline

Beitrag 77949 [Alter Beitrag18. Juni 2005 um 12:46]

[Melden] Profil von CharlyMai anzeigen    CharlyMai eine private Nachricht schicken   Besuche CharlyMai's Homepage    Mehr Beiträge von CharlyMai finden

Hier nochmal in Groß ...


:

Anhang: schaltplan schaltstufe_groß.rar

•"Der Glaube an eine bestimmte Idee gibt dem Forscher den Rückhalt für seine Arbeit.
Ohne diesen Glauben wäre er verloren in einem Meer von Zweifeln und halbgültigen Beweisen." Konrad Zuse

•Konstruiere ein System, das selbst ein Irrer anwenden kann, und so wird es auch nur ein Irrer anwenden wollen.

SOLARIS-RMB e.V. AGM
Reinhard

Überflieger

Reinhard

Registriert seit: Sep 2003

Wohnort: Österreich

Verein: TRA #10691, AGM

Beiträge: 1187

Status: Offline

Beitrag 77953 [Alter Beitrag18. Juni 2005 um 13:11]

[Melden] Profil von Reinhard anzeigen    Reinhard eine private Nachricht schicken   Besuche Reinhard's Homepage    Mehr Beiträge von Reinhard finden

Hi,

die Prüfstromkreise ließen sich durch die Verwendung eines Analogswitches wie den MAX4690 noch etwas vereinfachen.

Gruß
Reinhard
CharlyMai

Foren-Prediger


Administrator

CharlyMai

Registriert seit: Mär 2005

Wohnort: Fuhrberg

Verein: SOLARIS-RMB e.V. (P2;T2) / AGM / TRA#21598

Beiträge: 1979

Status: Offline

Beitrag 77954 [Alter Beitrag18. Juni 2005 um 13:31]

[Melden] Profil von CharlyMai anzeigen    CharlyMai eine private Nachricht schicken   Besuche CharlyMai's Homepage    Mehr Beiträge von CharlyMai finden

joa Reinhard ..

da ich sowieso mehr als 8 zu messende Spannungen habe (der Plan oben ist für EINE Zündstufe, also das ganze *4) brauche ich sowieso noch einen Analog Switch, der mir die diversen Spannungen auf meine 8 AD Kanäle verteilt ....

einen extra AD Wandler wollte ich nicht einsetzen ....


so long

Pierre

•"Der Glaube an eine bestimmte Idee gibt dem Forscher den Rückhalt für seine Arbeit.
Ohne diesen Glauben wäre er verloren in einem Meer von Zweifeln und halbgültigen Beweisen." Konrad Zuse

•Konstruiere ein System, das selbst ein Irrer anwenden kann, und so wird es auch nur ein Irrer anwenden wollen.

SOLARIS-RMB e.V. AGM
CharlyMai

Foren-Prediger


Administrator

CharlyMai

Registriert seit: Mär 2005

Wohnort: Fuhrberg

Verein: SOLARIS-RMB e.V. (P2;T2) / AGM / TRA#21598

Beiträge: 1979

Status: Offline

Beitrag 78024 [Alter Beitrag19. Juni 2005 um 20:29]

[Melden] Profil von CharlyMai anzeigen    CharlyMai eine private Nachricht schicken   Besuche CharlyMai's Homepage    Mehr Beiträge von CharlyMai finden

Hmm keine Reaktion mehr auf die Optokoppler ..... ??

Kann ich das denn nun so verwenden, oder habe ich da noch einen Fehler inne ???

Grüße

Pierre

•"Der Glaube an eine bestimmte Idee gibt dem Forscher den Rückhalt für seine Arbeit.
Ohne diesen Glauben wäre er verloren in einem Meer von Zweifeln und halbgültigen Beweisen." Konrad Zuse

•Konstruiere ein System, das selbst ein Irrer anwenden kann, und so wird es auch nur ein Irrer anwenden wollen.

SOLARIS-RMB e.V. AGM
Tom

Grand Master of Rocketry


Administrator

Tom

Registriert seit: Aug 2000

Wohnort: Neustadt

Verein: T2 , SOL-1

Beiträge: 5257

Status: Offline

Beitrag 78026 [Alter Beitrag19. Juni 2005 um 20:47]

[Melden] Profil von Tom anzeigen    Tom eine private Nachricht schicken   Besuche Tom's Homepage    Mehr Beiträge von Tom finden

Zitat:
Original geschrieben von CharlyMai
Anmerkungen ??




Nur eine kleine am Rande:

Warum einfach, wenn es auch kompliziert geht ? wink
Ausserdem wird die Möglichkeit von auftretenden Fehlern innerhalb der Schaltung maximiert.

Gruss
Tom
CharlyMai

Foren-Prediger


Administrator

CharlyMai

Registriert seit: Mär 2005

Wohnort: Fuhrberg

Verein: SOLARIS-RMB e.V. (P2;T2) / AGM / TRA#21598

Beiträge: 1979

Status: Offline

Beitrag 98018 [Alter Beitrag24. März 2006 um 18:31]

[Melden] Profil von CharlyMai anzeigen    CharlyMai eine private Nachricht schicken   Besuche CharlyMai's Homepage    Mehr Beiträge von CharlyMai finden

Sooooo, was lange währt ......

Ich habe das Projekt natürlich noch nicht aufgegeben, und etwas Abwechselung vom Kursschreiben muss ja nun auch sein ....

Ich habe mich entschlossen, anstatt des Text-Display (LCD) ein Grafisches Display (GLCD) zu verwenden.

Die Programmierung findet natürlich in Bascom statt....

Hier mal eine Vorschau :

"Begrüßung"



Erste Aufteilung des GLCD


•"Der Glaube an eine bestimmte Idee gibt dem Forscher den Rückhalt für seine Arbeit.
Ohne diesen Glauben wäre er verloren in einem Meer von Zweifeln und halbgültigen Beweisen." Konrad Zuse

•Konstruiere ein System, das selbst ein Irrer anwenden kann, und so wird es auch nur ein Irrer anwenden wollen.

SOLARIS-RMB e.V. AGM
CharlyMai

Foren-Prediger


Administrator

CharlyMai

Registriert seit: Mär 2005

Wohnort: Fuhrberg

Verein: SOLARIS-RMB e.V. (P2;T2) / AGM / TRA#21598

Beiträge: 1979

Status: Offline

Beitrag 98026 [Alter Beitrag24. März 2006 um 22:00]

[Melden] Profil von CharlyMai anzeigen    CharlyMai eine private Nachricht schicken   Besuche CharlyMai's Homepage    Mehr Beiträge von CharlyMai finden

Und weiter geht es mit der Oberfläche .....

Hier erfolgt die Auswahl der gewünschten Betriebsart per "Up" und "Down" Taster



viele Grüße

Pierre

•"Der Glaube an eine bestimmte Idee gibt dem Forscher den Rückhalt für seine Arbeit.
Ohne diesen Glauben wäre er verloren in einem Meer von Zweifeln und halbgültigen Beweisen." Konrad Zuse

•Konstruiere ein System, das selbst ein Irrer anwenden kann, und so wird es auch nur ein Irrer anwenden wollen.

SOLARIS-RMB e.V. AGM
Andreas B.

Grand Master of Rocketry

Andreas B.

Registriert seit: Nov 2002

Wohnort: Freistaat Sachsen

Verein: AGM (P2,L2) TRA#9711

Beiträge: 5440

Status: Offline

Beitrag 98077 [Alter Beitrag26. März 2006 um 11:51]

[Melden] Profil von Andreas B. anzeigen    Andreas B. eine private Nachricht schicken   Besuche Andreas B.'s Homepage    Mehr Beiträge von Andreas B. finden

Hi Pierre,

na da ist Dein Launch Control Pad deluxe ja noch rechtzeitig vor den diesjährigen RJD's fertig
geworden, super!
Stellst Du es uns denn jetzt als zentrales Startgerät zur Verfügung?
Auf alle Fälle wäre das eine harte Bewährungsprobe unter extremen Bedingungen...;-)
Beim RJD 2005 hatten wir insgesammt 186 Starts, da hat so Gerät schon ganz
schön was zu leisten.
Für den Notfall hätten wir ja dann noch mein in den letzten Jahren bewährtes
"analoges" 3 Kanal Startgerät...smile

VG Andreas

Nicht quatschen, machen ;-)!

http://www.megacluster.de
Seiten (5): « 1 2 3 [4] 5 »
[Zurück zum Anfang]
Du kannst keine neue Antwort schreiben